中文字幕免费一区,欧美h版电影,老司机深夜福利在线观看,亚洲日本成人在线观看,国产一级一片

歡迎來到河南太平洋線纜有限公司官網,我們將提供今日電纜價格。 經銷合作 聯系我們 網站地圖

河南太平洋線纜有限公司

高低壓電線電纜生產廠家 ——河南太平洋線纜有限公司

24小時咨詢服務熱線 15838252668   
太平洋線纜新聞動態
單芯高壓電纜接地方式與要求
來源: 太平洋電線電纜 發布日期: 2020.08.04 瀏覽次數:
信息摘要:
單芯高壓電纜常用于城市電網中,單芯高壓電纜通常有三種接地方式:兩端接地,一端接地和交叉互聯兩端接地三種方式。


單芯高壓電纜常用于城市電網中,電線電纜廠家-河南太平洋線纜供應的單芯高壓電纜型號:YJV、YJLV、YJY、YJV22、YJLV22、YJV23、YJV32、YJLV32、YJV33,規格從25-630平方,均可定做,適合35kV及以下電力輸送使用。

為了保證用電的安全,單芯高壓電纜通常有三種接地方式。

1、兩端接地

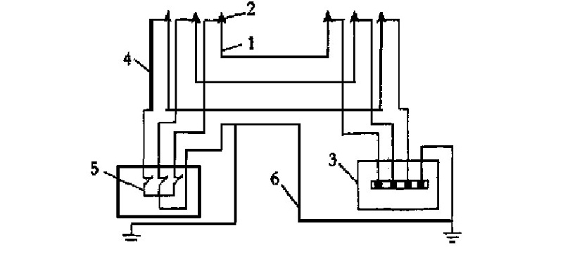
由于單芯高壓電纜金屬護套上的感應電壓與其長度和負載電流成正比, 所以, 當電纜線路很短 (只有幾十米) , 傳輸功率很小時, 金屬護套上的感應電壓極小, 護套兩端接地形成通路后, 產生的環流也很小 (即損耗低) , 對電纜的載流量影響不大;或當電纜線路很短, 利用小時數較低, 傳輸容量又有較大裕度時, 護套兩端形成通路后, 環流對電纜的載流量影響甚微。這兩種情況均可以將金屬護套兩端接地, 且接地電阻不應大于2 Ω。用這種辦法接地, 護套上不需要裝設絕緣保護器, 這與護套損耗相比, 可能還是經濟的。護套兩端接地如圖1所示。施工時, 將護套接地引下線的一端與電纜終端的金屬護套表面用錫焊焊接起來, 另一端接地。電纜護套接地引下線的截面積應按經濟電流密度進行選擇。

單芯高壓電纜接地方式與要求

圖1 金屬護套兩端接地示意圖 

電纜終端頭閘刀箱護套接地引下線

2、一端接地

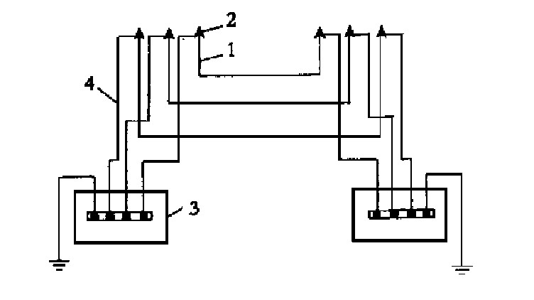
當電纜線路約500 m及以下時, 可以將電纜護套一端三相互聯后直接接地 (通常在終端處) , 另一端經間隙或非線性電阻保護器接地 (見圖2) , 其它部位對地絕緣, 這樣, 護套構成的閉合回路可以減少并環行電流, 確保電纜的輸送容量。

單芯高壓電纜接地方式與要求

圖2 金屬護套一端接地示意圖 

1-電纜;2-終端頭;3-閘刀箱;4-護套接地引下線;5-保護器;6-回流線

施工時應注意以下幾點:

(1) 電纜與架空線相連時, 為降低護套上的沖擊過電壓, 護套的直接接地點一般應設在與架空線相連接的一端, 保護器設在另一端。

(2) 為了保障人身安全, 金屬護套上非直接接地處任意一點的正常感應電壓應不大于50 V;金屬護套采用玻璃纖維等絕緣材料覆蓋時, 該感應電壓可以提高到100 V。

(3) 發生單相接地故障時, 若金屬護套上的感應電壓超過其耐壓強度, 或電纜線路雖有抗干擾措施, 但仍滿足不了二次回路對干擾的要求, 則必須沿電纜線路平行敷設一導線 (一般稱之為回流線) , 并將其兩端可靠接地。這樣, 發生單相接地短路故障時, 短路電流可以通過回流線流回系統的中性點, 特別是當接地故障發生在回流線的接地網時, 接地電流的絕大部分將通過回流線。由于通過回流線的接地電流產生的磁通抵消一部分電纜導線接地電流所產生的磁通 (兩者電流方向相反) , 因而裝設回流線后既可降低短路故障時護套的感應電壓, 又能防止在電纜線路附近的信號電纜中產生較大的感應電壓。

施工時還應注意, 回流線的截面積應滿足短路電流熱穩定的要求, 且為了避免正常運行時回流線內出現環行電流, 敷設時應使之與中間一相電纜的距離保持在0.7 s (s為相鄰電纜軸間距離) , 并在電纜線路一半處換位。

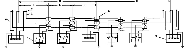
3、交叉互聯兩端接地

當電纜線路很長 (1 000 m以上) , 一端接地不能滿足要求時, 可采用三相護套交叉互聯后兩端接地的方法——將電纜線路分成若干大段, 每大段再分成長度相等的三小段, 每小段之間裝設絕緣接頭。在絕緣接頭處利用同軸引線和接線盒將前后兩小段的護套換相連接, 并在絕緣接頭處裝設一組保護器, 每一大段的兩端護套分別互聯接地。這種接地方式示意圖見圖3。

單芯高壓電纜接地方式及要求

圖3 護套交叉互聯兩端接地示意圖

1-電纜;2-終端頭;3-閘刀箱;4-護套接地引下線;5-保護器;6-絕緣接頭;L-電纜小段;B-電纜大段

這種接地方式應滿足以下要求:

(1) 護套正常感應電壓不應超過50 V, 若采取了安全措施, 則不超過100 V。

(2) 當護套出現沖擊過電壓, 保護器動作時, 護套上將有很大的電流經接地線流入大地, 此時電流互感器測得的電流不真實, 繼電保護將誤動。為解決這一問題, 應將套有電流互感器的護套接地線, 或者將連接保護器的接地線自上而下穿過電流互感器, 如圖4所示。

單芯高壓電纜接地方式與要求

圖4 護套接地線穿過電流互感器示意圖 

同時要注意的是單芯鎧裝電纜適用于直流系統,若用于交流系統,應采用非磁性材料的鎧裝層或采用嗝磁措施。以上就是鄭州電纜廠家-河南太平洋線纜為大家提供的關于單芯高壓電纜接地方式,希望在單芯高壓電纜的使用中能幫到您,安全用電從選擇國標電纜做起,河南太平洋線纜自成立以來以“專注國標電纜,助力市場規范,倡導用電安全”己任,長期供應35kv及以下電力電纜,高壓電纜,低壓電纜,控制電纜,架空電纜,家裝電線,絕緣導線,礦物絕緣電纜等。電線電型號規格多樣,價格合理,國標保檢,歡迎新老客戶采購!



免責聲明:以上內容及圖片部分來源于網絡,版權歸原作者所有。如有侵權請聯系我們刪除。

咨詢熱線

15838252668